CR-24 Cast Iron Butterfly Valve

Wafer Type
CR-24 - Cast Iron Butterfly Valve
  • Application
  • Water

Product Description HSN : 84813030

Product : ‘SANT’ Cast Iron Butterfly Valve (Lever Operated)
Type of Pattern : Short Pattern
Pressure / Class / Rating : PN 10
Body Material cum Standard : Cast Iron IS:210 Gr.FG200
Description : Wafer Type
Type of Seat : Nitrile / EPDM Lining
Type of Disc : SS
Trim : SS AISI-410
End Details : Suitable insertion between Flanges as per BS 10 Table D/E ANSI B 16.1 CI-125


Testing & Certification

Body Test Pressure : 1.5MPa (218 Psig) Hyd
Seat Test Pressure : 1.0MPa (145 Psig) Hyd

Our Works’ Test Certificate is furnished with every supply.

Materials

Components Materials Specifications
Locking Screw, Pin, Indexing Plate  S.S. AISI-410
Bush PTFE
Body C.I. IS:210 Gr.FG200
Body Lining Rubber Nitrile / EPDM Lining
Disc S.S.
Upper Stem, Lower Stem S.S. AISI-410
Bolts & Nuts Carbon Steel
Lever M.S. / D.I.

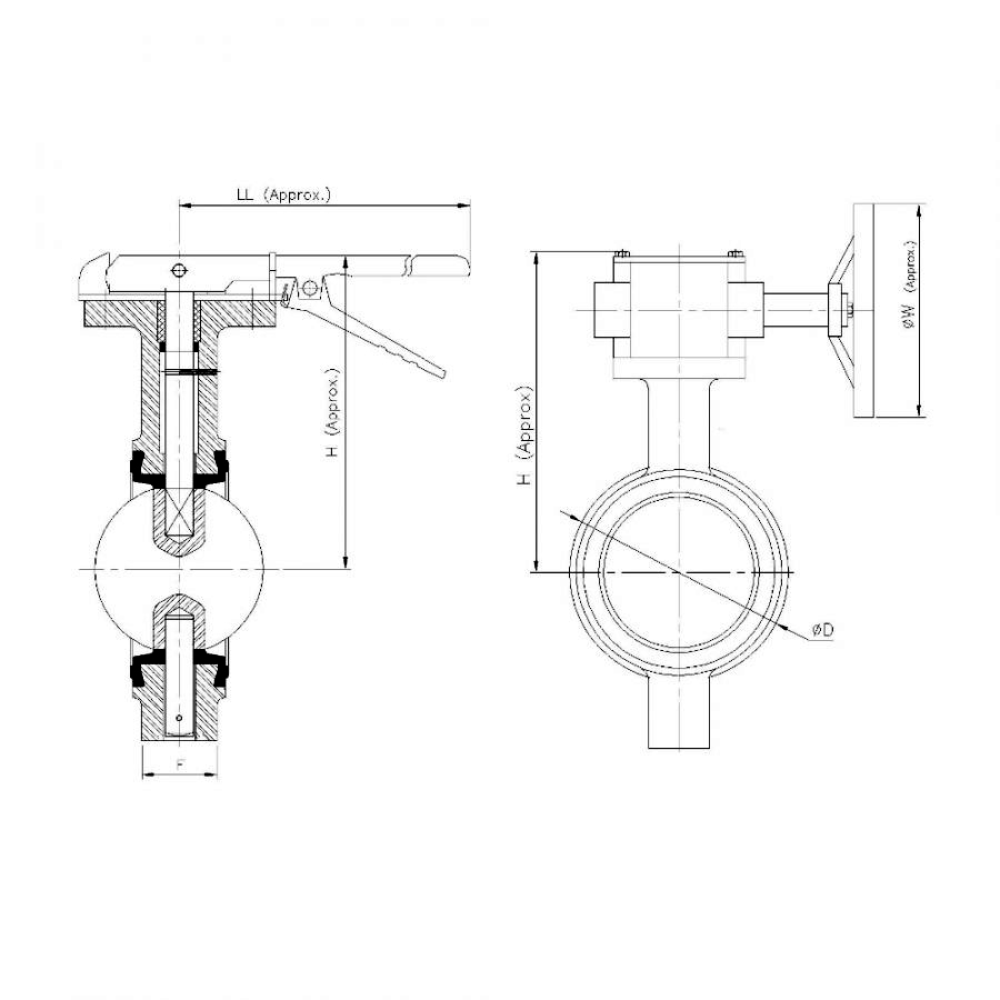
Dimensions (in mm)

Nominal Size Nominal Size (Inches) F ∅D LL (Approx.) H (Approx.)
40 1.1/2 33±2 82 175 121
50 2 43±2 95 175 133
65 2.1/2 46±2 106 175 141
80 3 46±2 124 175 145
100 4 52±2 152 260 178
125 5 56±2 173 260 200
150 6 56±2 210 260 210
200 8 60±2 260 350 276
250 10 68±2 315 350 325
300 12 78±3 370 350 360

 

Notes
1. Product images are for illustration purposes only. Actual product may vary.
2. Actual dimensions may change over time, due to continual design improvements. Please confirm before placing order.

Other Products

Start WhatsApp Chat Start WhatsApp Chat
Valves

Valves

Water Meters

MS Forged Pipe Fittings

Fittings

Water Meters

Valves

DI Grooved Fittings (UL/FM)

Water Meters

DI Screwed Fittings (UL/FM)

Fittings

Composite Pipes & Fittings

Site Credits : Seigospace