Reducing Socket

Reducing Socket

Product Description

Product Standard
As per IS:1239 (PART2): 1992 Screwed BSP Ends.
The carbon steel used in drop forged steel pipe fittings contains sulphur and phosphorus not exceeding 0.06% each.

End Connections
Screwed Female Ends conform to BSP as per BS21 / IS:554.
Other types of threads i.e. NPT can be given on request.

Test Pressure
IS:1239 (PART2) 1992-Pipe Fittings are tested to 1000 psig. (Hyd.)


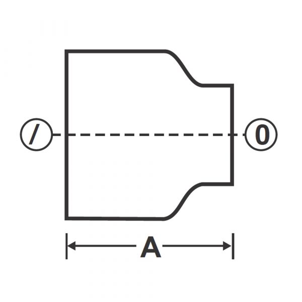
Dimensions (in mm)

Nominal Size of Outlet Minimum Length (A)
10×8 29
15×8 40
15×10 38
20×10 43
20×15 41
25×15 51
25×20 49
32×20 57
32×25 56
40×20 64
40×25 62
40×32 60
50×20 68
50×25 67
50×32 65
50×40 64

Other Products

Start WhatsApp Chat Start WhatsApp Chat
Valves

Valves

Water Meters

MS Forged Pipe Fittings

Fittings

Water Meters

Valves

DI Grooved Fittings (UL/FM)

Water Meters

DI Screwed Fittings (UL/FM)

Fittings

Composite Pipes & Fittings

Site Credits : Seigospace